苏州51龙凤茶楼论坛,老九品茶楼凤楼论坛官网,51龙凤茶楼论坛地址,51龙凤茶楼论坛成都

搜索
历史搜索
搜索发现
首页 > 产品中心 > 信号隔离???/a>

  由于产品技术规格范围比较宽,请广大客户订购时在备注里备注所需要的输入输出范围,以保证购买到合适的产品!


  输入信号范围:0-10V、0-5V、0-75mV、0-20mA、4-20mA、DC 0-100V、DC 0-465V、DC 0-1A、DC 0-10A、AC 0-5A、AC 0-10A、AC 0-380V、AC 0-500V、电位计0-5KΩ、电阻0-5KΩ、热电阻-200--500℃,热电偶0-1600℃等用户特定规格


  输出信号范围:0-10V、0-5V、0-75mV、0-20mA、4-20mA、1-5V、4-12-20mA等用户需要的标准信号。


  配电器配电:一路配电、双路配电、配电电压为16--26V?! ?/p>

DIN101-PTTI 信号隔离模块(图1)


  产品概述:

  有源单通道高精度模拟量信号隔离变送器,是将输入与输出之间的电气绝缘的模拟信号进行隔离的信号调整器,接收现场仪表的各种模拟量信号输入,通过模拟量信号隔离变送器进行信号隔离调理,以标准模拟量信号的形式传输到控制室或PLC及DCS系统。本产品的输入、输出间互相隔离,隔离电压达1500VDC,在电量隔离测控的工业现场、电力监控、医疗电子设备、模拟量4~20mA 信号隔离及采集,远程信号长线无失真传输等方面广泛应用。该模拟量信号隔离变送器采用光电隔离技术,具有高输出精度、极低温飘、高线性度及宽供电电压等特点。



  产品特征:


  ●小体积,低成本,无需调节用户直接使用

  ●两端隔离(输入、输出间相互隔离)

  ●双通道输入,双通道输出

  ●高精度等级(0.1% F.S)

  ●高线性度(0.2% F.S)

  ●高隔离耐压(1500VDC / 60S)

  ●极低温度漂移(50PPM/℃)

  ●工业温度范围(-45~+85℃)

  ●低阻抗(压降<2.5V,20mA时)

  ●宽电压输入(24V±20%)

  


  产品概述:

  JY-DIN102-CTCC有源高精度模拟量信号隔离变送器,是将输入与输出之间的电气绝缘的模拟信号进行隔离的信号调整器,接收现场仪表的各种模拟量信号输入,通过模拟量信号隔离变送器进行信号隔离调理,以标准模拟量信号的形式传输到控制室或PLC及DCS系统。本产品的输入、输出间互相隔离,隔离电压达1500VDC,在电量隔离测控的工业现场、电力监控、医疗电子设备、模拟量4~20mA 信号隔离及采集,远程信号长线无失真传输等方面广泛应用。该模拟量信号隔离变送器采用光电隔离技术,具有高输出精度、极低温飘、高线性度及宽供电电压等特点。



  产品接口功能说明:

  


  DIN101-PTTI 信号隔离???图1)


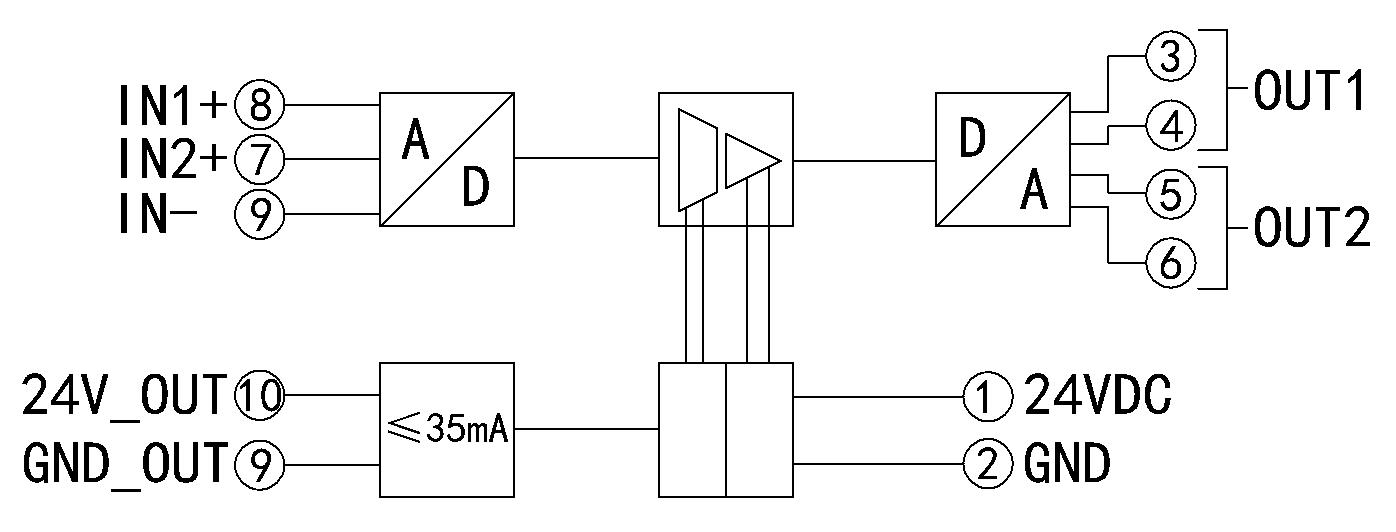
  产品逻辑示意图:

  


  产品接线示意图:

  



  使用注意事项:


  1、使用前,请仔细阅读产品说明书,如有疑问,请与公司技术支持或售后服务人员联系;


  2、请不要将产品安装在危险区域使用,产品工作电源为直流电源,严禁使用220V交流电源为产品作为工作电源;


  3、严禁私自拆装产品,防止产品失效或发生故障。


  产品电气特性参数

  


DIN101-PTTI 信号隔离??橄喙刈柿舷略?/div>
DIN101-PTTI 信号隔离??樗得魇?/td> DIN101-PTTI 信号隔离??樗得魇?i class="iconss down">
测试软件 DAM调试软件
JYDAM调试软件
应用软件 聚英组态软件
协议说明 协议说明
参考源码 参考源码
PLC例程 PLC例程
第三方组态例程 第三方组态例程
在线购买
批量采购/定制产品

销售专线: 010-82899827/1 4006688400 7x24小时销售服务热线

联系邮箱:juyingele@163.com

技术咨询

在线咨询: 点击咨询

联系邮箱:juyingele@163.com

暂时没有本产品的使用视频
联系销售
销售王经理微信 销售王经理
微信公众号 微信公众号
服务热线
400-6688-400