苏州51龙凤茶楼论坛,老九品茶楼凤楼论坛官网,51龙凤茶楼论坛地址,51龙凤茶楼论坛成都

搜索
历史搜索
搜索发现

一文读懂常用总线防浪涌?;さ哪切┦?/h1>
2023-02-04 09:23:36| 来源:聚英电子| | 0

  在工业通讯现场,雷电过电压、落雷引发出的诱导雷浪涌,还有电源系统(特别是带很重的感性负载)开关切换引起的浪涌,这些浪涌产生的瞬态过压和过流,从而导致数据总线通讯网络瘫痪甚至使元器件发出错误的信号,会给用户带来很大的损失。现在防雷、防浪涌和防过电压这些都是总线设计必须考虑的因素,今天小编就和大家聊一聊常用总线防浪涌?;さ哪切┦露?。


一文读懂常用总线防浪涌?;さ哪切┦? style=


  浪涌是一种瞬变干扰,在某种特定条件下,在电网上造成瞬间电压超出额定正常电压的范围,通常这个瞬变不会持续太长的时间,但有可能幅度相当高。有可能是在仅仅的百万分之一秒内的瞬间突高,比如打雷、或者断开电感负载、或者接通大型负载的一瞬间都会对电网产生很大的冲击。在大多数情况下,如果连接在电网上的设备或电路没有浪涌?;ご胧苋菀灼骷突崴鸹?,损坏的程度会跟器件的耐压等级有关系。

  供电系统的浪涌主要来自两个方面:外部(雷电原因)和内部(电气设备启停和故障等)。浪涌的特点往往是时间很短(雷电造成的过电压往往在微秒级,电设备造成的过电压往往在毫秒级),但是瞬时的电压和电流极大,极有可能对用电设备和电缆造成危害,所以需要浪涌保护器对它们进行?;ぁ?/p>

  通常所说的防浪涌,有两个类型:一个是共模,一个差模。雷电或大电流切换时产生的浪涌一般是共模的,差模形式的浪涌往往是由于数据电缆附近有高压线经过,数据线缆和高压线之间因绝缘不良而产生的,虽然差模比共模产生的电压和电流小得多,但它不像共模那样只维持很短的时间,而会在数据通信网络中较长时间内稳定存在。光耦或磁耦器件标称的耐压是共模,也就是前端到后端之间的耐压。如果超过这个耐压,前端后端都一起烧坏;元器件不会标称差模的耐压,差模耐压能力由电路的设计决定,差模电压超过电路承受范围,前端烧坏,后端不会烧坏。

  防浪涌电路通常分为隔离法和规避法。隔离法就是采用光耦合器或磁耦合器,将输入和输出信号隔离分开,只要浪涌产生的电压幅值不超过器件标称的值,光耦或磁耦就不会损坏,即使浪涌电压长时间存在也不会对隔离的设备产生损害。这类隔离法只能抑制共模形式的浪涌,不能抑制差模形式的浪涌。(这里说的浪涌,主要是由于落雷而发生的诱导雷浪涌、电路系统内浪涌等,直击雷不属于讨论范围)。

  规避法就是主设备的地连在一起形成单点接地,一旦有浪涌出现就可安全转移浪涌能量,此外有必要增加一些抑制浪涌的器件。能将浪涌所产生的有害电流在到达数据端口前泄放到地回路中去的器件,主要有Tvs管、压敏电阻、气体放电管,它们都有一个钳位电压,一旦超过该钳位电压,器件就会在连接点之间产生一个低阻抗,从而转移有害的电流。

  如果将隔离法和规避法相结合,就可以更好地?;は低场9姹芷骷环矫婵梢种评擞勘;じ衾肫骷?,也可以抑制总线上产生的差模形式浪涌。隔离器件抑制共模形式浪涌,?;ぶ魃璞浮A秸呦喔ㄏ喑?,能够更好地保护总线设备。

共模浪涌

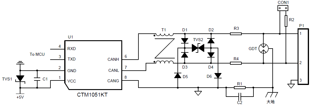
  举个例子,CAN的接口防护一般是在收发器外加隔离保护器件,如光耦、磁耦等。为接口设计方便,我们可以使用一体化的收发器模块,和自主搭建电路比,使用方便,简化电路,环境适应性更强。这类加隔离??榉拦材@擞可杓票冉铣<筒欢嘧鲎甘隽?。这里重点谈一下增加差模形式浪涌防护的方法。

常用规避?;さ钠骷蠫DT、TVS以及共模电感。GDT被放置于接口最前端,提供第一级的雷击浪涌防护。当雷击、浪涌产生时,GDT瞬间达到低阻状态,为瞬时大电流提供泄放通道,将CAN_H、CAN_L间电压钳制在二十几伏范围内。后端的TVS提供第二级浪涌防护,具体规格可根据需求选择。

  接口电路虽然能够提供有效的防护,但是需要引入较多的电子器件,这也就意味着接口电路将占用更多的PCB空间,若器件参数选择不合适易造成EMC问题。有没有更好的办法呢?聚英电子大部分都是采用防浪涌的继电器,减少瞬势电压电流,能够更好地?;ぷ芟呱璞?。

在将来,由于种种原因,浪涌防护产品将变得越来越普及。即:集成密度的提高必然伴随着电路中元器件(集成电路,三极管,二极管,电阻等)临界载荷值的降低;由于使用先进的生产机械,有必要增加生产过程的安全性;电子设备的应用中,要注意露天设备(如带有智能传感器的设备)的?;?核爆炸产生的电磁脉冲危害(NEMP):这只是核爆炸产生的不可避免的次要结果,它能损坏所有电子设备。

  常见的防护方法是电路的关键部位采用过电压和浪涌的防护器件,使过电压和浪涌通过防护器件旁路到大地,从而让电路的瞬变电压和浪涌幅度大大降低。浪涌防护方案确立之后的另一个重点就是浪涌防护器件的选择。


联系销售
销售王经理微信 销售王经理
微信公众号 微信公众号
服务热线
400-6688-400